Diseño y desarrollo de proyectos

Odoo - Prueba 1 a tres columnas

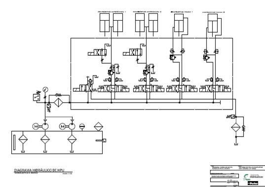
Diseño de sistemas oleo-hidráulicos, neumáticos, automatización y electromecánico por  medio de Software de simulación automation studio.

Odoo - Prueba 1 a tres columnas

Todos nuestros proyectos se entregan diseñados, desarrollados y probados, los mismos son integrados con componentes de alta calidad.

Odoo - Prueba 1 a tres columnas

Contamos con banco de pruebas, garantizando de esta forma el funcionamiento de nuestros diseños

Odoo - Prueba 1 a tres columnas

Compactadora de chatarra

Odoo - Prueba 1 a tres columnas

Unidades hidráulicas para plantas eléctricas

Odoo - Prueba 1 a tres columnas

Desarrollo y montaje de proyectos en sitio

Odoo - Prueba 1 a tres columnas

Modificaciones en unidades existentes

Odoo - Prueba 1 a tres columnas

Fabricaciones de cilindros especiales montaje